Как сделать теплообменник для палатки своими руками
Существует много видов газовых палаточных печек. И их общим недостатком является то, что некоторые из них не удаляют продукты сгорания наружу.
Это довольно опасно, есть риск отравиться продуктами сгорания. Также в палаточное пространство попадает влага, образующаяся в процесс сгорания – влажное тепло не является оптимальной средой для длительного пребывания людей.
Теплообменник для зимней палатки – это отличное решение, обеспечивающее более безопасный обогрев с помощью газовых горелок. Принцип их действия прост:
- Расположенная под теплообменником горелка нагревает конструкцию;
- Через трубки обменника протягивается воздух, нагревающийся и попадающий в зимнюю палатку;
- Продукты сгорания отводятся через дымоход наружу палатки.
Источником питания выступает аккумулятор, в качестве вентилятора используются малошумящие компьютерные кулеры или вентиляторы иного типа.
По своей конструкции прибор напоминает небольшой жаротрубный теплообменник, используемый в твердотопливных отопительных котлах. Через него проходит жар от горелки, а по трубкам прогоняется воздух. На выходе мы получаем сухое тепло, вполне комфортное и согревающее людей.
к содержанию ↑Достоинства теплообменников для зимних палаток
Давайте посмотрим, чем хороши данные приборы:
- Ускоренный прогрев внутреннего пространства палатки;
- Отсутствие излишков влаги;
- Более эффективное поглощение выделяемого горелкой тепла;
- Совместимость с любыми типами газовых горелок;
- Компактная конструкция;
- Встроенные дымоходы для удаления продуктов сгорания.
- Занимает свободное пространство;
- Требует электропитания;
- Требует хорошего дымохода и его вывода за пределы палаточного пространства.
Теплообменники идеальны для путешественников и любителей зимней рыбалки, имеющих возможность перемещать с собой большое количество вспомогательных устройств и аксессуаров – например, в автомобиле.
Заводские модели
Рассмотрим самые популярные разновидности теплообменников для зимних палаток. Оборудование новое, поэтому особого разнообразия мы здесь не увидим. Но и того, что есть в продаже, более чем достаточно.
Теплообменник Суховей
Перед нами неплохой прибор, изготовленный из прочной нержавеющей стали и алюминиевой трубы. Он отличается производительностью до 184 куб.
м/час и может работать на повышенных и пониженных оборотах. Тщательно продуманная конструкция обеспечивает высокий КПД, а малошумящий вентилятор избавляет пользователей от лишних шумов. Аппарат легко раскладывается в рабочее состояние и работает с плитками от производителя Гефест.
Стоимость модели составляет коло 7000 рублей.
Теплообменник для рыбалки Сибтермо СТ-1.6
Представленная модель отличается наличием сразу двух вентиляторов, что увеличивает пропускную способность. Это отличный теплообменник в палатку для зимней рыбалки, позволяющий максимально быстро прогреть большой объем воздуха.
Вес агрегата составляет всего 1,88 кг, он может эксплуатироваться совместно с любыми газовыми и инфракрасными горелками. Даже в самую лютую зиму в вашей палатке будет тепло и комфортно.
Дымоход в данной модели подключается сверху.
Теплообменник «Десна БМ»
Максимально компактный, с одним вентилятором, идеально подходит для зимней палатки. Работает как в автоматическом режиме, так и в режиме турбо.
Может использоваться совместно с любыми горелками и печками (в том числе с инфракрасными). Корпус изготавливается из нержавеющей стали и защищается стойкой эмалью, выдерживающей нагрев до высоких температур. Производитель заявляет о высоком КПД, несравнимом с КПД любых других аналогов.
Стоимость агрегата составляет около 7000 рублей.
к содержанию ↑Теплообменник для зимней палатки своими руками
Сделать теплообменник для палатки своими руками не составит особого труда. Затраты на металл будут минимальными, самоделка окажется более выгодной, чем ее заводские аналоги.
При изготовлении самоделки не требуется какая-то фантастическая точность в соблюдении габаритов – это не двухконтурный котел, а простейший самодельный теплообменник в палатку для отдыха и рыбалки в холодных зимних условиях.
Делать теплообменник для зимней палатки лучше всего из нержавеющей стали и алюминиевых трубок. Если нет ни того, ни другого, найдите любую тонкостенную металлическую трубу диаметром около 20 мм и листовое железо толщиной 1 мм. Также вам потребуется сварочный аппарат и дрель со сверлом по металлу подходящего диаметра.
Сборка не займет у вас много времени, с монтажом можно справиться буквально за день.

Все размеры носят скорее рекомендательный характер, вы вполне можете что-то изменить специально для ваших нужд.
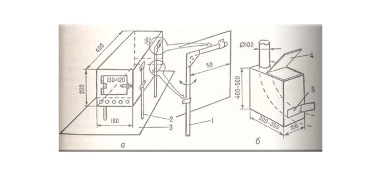
Подготовка теплообменных труб
Первая наша задача – соорудить непосредственно сам теплообменник по образу и подобию его жаротрубнного собрата. Для этого необходимо взять два прямоугольных отреза листового металла и наметить в нем отверстия под теплообменные трубки.
Рекомендуем сделать три ряда в шахматном порядке – пять трубочек в верхнем и нижнем рядах, четыре трубки в среднем ряду. Самая сложная задача заключается в том, чтобы приварить трубки с двух сторон к двум листам металла.
Сборка корпуса
Далее собираем корпус из еще четырех отрезков. В верхней части делаем отверстие под дымоход. Его необходимо продумать так, чтобы дымоход легко снимался. Привариваем верхнюю крышку к нашему теплообменнику, по бокам привариваем боковые крышки. Пробовать обогревать зимнюю палатку еще рано – нужно сделать ножки.
Лучше всего, если ножки будут складными, но можно обойтись и без этого. Сделайте их из тонких металлических стержней (проволоки), отмеряя их длину не забудьте учесть высоту используемой плитки/горелки. Соответственно, нижняя часть нашего теплообменника для зимней палатки несплошная – здесь располагается вырез, в котором виднеются внутренние трубки.
Именно через этот вырез пламя и жар будут проникать внутрь нашего агрегата.
Работа с электрической частью
Для работы теплообменника для зимней палатки потребуется хороший вентилятор. Мы рекомендуем взять производительный кулер диаметром 120 мм от стационарного компьютера.
Такие кулеры обладают хорошей пропускной способностью и минимальным уровнем шума. Привариваем к задней части нашего теплообменника подходящий крепеж, прикручиваем вентилятор, припаиваем длинные проводники для подключения к аккумулятору (подойдет ШВВП 2х0,75).
Теплообменник для палатки
Суровые зимние условия заставляют любителей подледной ловли задумываться над тем, как сделать рыбалку более комфортной. Теплая одежда – это, конечно же, хорошо, но только ее недостаточно для того, чтобы полностью отдаться любимому делу, не обращать внимания на мороз и ветер.
Поэтому сегодня многие рыбаки-зимники предпочитают рыбачить в палатке с источником тепла, обогревающим внутреннее пространство.
Когда специальные палатки для рыбалки зимой только начали появляться, для их обогрева применялось все: парафиновые свечи, сухое горючее, примусы, газовые лампы и так далее. Но у каждого из перечисленных вариантов есть свои недостатки.
Например, громоздкость некоторых конструкций, низкая эффективность, необходимость постоянно отвлекаться от рыболовного процесса. Опять же высокий риск возгорания, несмотря на то, что большинство производителей палаток сегодня используют материалы с огнеупорной пропиткой.
Проблема долгое время оставалась нерешенной, пока кто-то не придумал отличную альтернативу стандартным печкам – теплообменник для зимней палатки, обеспечивающий безопасную подачу тепла и поддержание оптимальной температуры внутри временного помещения.
к содержанию ↑Что представляет собой теплообменник?
В отличие от многих других обогревающих приспособлений этот прибор выводит наружу продукты сгорания, благодаря чему нет необходимости «впускать» внутрь свежий воздух и терять при этом произведенное тепло. Для этого в палатке должен быть предусмотрен хотя бы один люк в верхней части.
Кроме дымохода из конструктивных особенностей стоит выделить наличие нагревающих воздух трубок и вентилятора для усиления эффекта (работает от батареек или аккумулятора).
Как функционирует теплообменник в палатку для зимней рыбалки? Горелка, установленная снизу, нагревает трубки обменника, через которые с помощью вентилятора протягивается воздух. Проходя через них, он тоже нагревается и попадает в палатку.
Газы, появившиеся в результате сжигания топлива, выходят наружу по дымоходу. Как видим, ничего сложного.
Такая конструкция похожа на жаротрубные теплообменники, применяемые в твердотопливных котлах, да и работает она по тому же принципу. Воздух, прошедший по разжаренным трубкам, превращается в сухое тепло и обогревает внутреннее пространство палатки.
Теплообменники могут иметь разное тепловое излучение. У одних излучение более сильное, у других слабее. Эта важная техническая характеристика зависит от:
- тепловой мощности горелки;
- нагреваемой площади;
- материала, из которого произведен прибор;
- формы теплообменника.
Что касается формы, то круглый вариант эффективнее прямоугольного, поскольку в нем нет углов, где могло бы «застаиваться» тепло.
к содержанию ↑Преимущества ловли с теплообменником
Из каких бы плотных тканей не была сшита палатка, без дополнительного обогрева она сможет защитить разве только от ветра, но не от мороза или сырости. Именно поэтому рыболову приходится ее отапливать.
И если пару часов еще можно обойтись парафиновой свечой или несколькими таблетками сухого спирта, то для продолжительной рыбалки понадобится что-то более серьезное. Почему стоит сделать выбор в пользу теплообменника? Плюсов у этого прибора более чем достаточно.
К ним можно отнести:
- возможность нагреть палатку за считанные секунды;
- максимально эффективное потребление тепла, производимого горелкой;
- выход газов, возникающих в результате сгорания топлива и кислорода;
- отсутствие нежелательной влаги (воздух внутри становится не только теплым, но и сухим);
- совместимость с любыми газовыми горелками, которые есть сегодня в продаже;
- возможность использовать в качестве плитки (к примеру, можно подогреть остывший чай);
- компактность (прибор не занимает много места).
Недостатки тоже имеются. Теплообменник можно ставить только в палатке, в которой есть отверстие для вывода дымохода.
Кстати, некоторые изобретательные рыболовы совершенствуют (по их мнению) магазинные устройства и выводят дымоход снизу – между полом палатки и ее стенкой. Кроме того для правильной работы прибора требуется электропитание, а это значит что нужно снимать с автомобиля аккумулятор или возить с собой другой источник питания.
Еще один негативный момент – теплообменник занимает определенное пространство. Если в трехместной палатке ловят два рыбака, тогда он не создаст никакого дискомфорта, но бывает, что под одним куполом пытается поместиться больше людей, чем положено. В этом случае для прибора места не останется, придется согревать себя собственным дыханием.
к содержанию ↑Газовый или бензиновый?
Горелки работают на разных видах топлива, самые распространенные – газ и бензин. Газовый теплообменник для палатки прекрасно подходит как для рыбалки со льда, так и для зимнего туризма. Понятно, что такое устройство работает на газу.
При желании его можно сделать более функциональным, а именно приспособить для приготовления пищи. Газ подается на горелку из баллона, который иногда преподносит сюрпризы.
Дело в том, что при отрицательных температурах его содержимое может замерзать, поэтому многие предпочитают пользоваться небольшими газовыми баллончиками, помещающимися внутри палатки. Народные умельцы идут своим путем.
Они обвивают баллон медной трубкой или пластиной и выводят ее конец на горелку. Металл греется и не позволяет замерзнуть содержимому баллона.
Более серьезных недостатков у газового теплообменника нет. Это простой в эксплуатации, надежный и долговечный прибор, заслуживший признание многих любителей подледного лова.
Его полезность уже оценили тысячи сторонников комфортной ловли.
Бензиновые модели не менее эффективны, к тому же они дешевле и компактнее (и сама конструкция, и емкость с топливом). Но есть один нюанс, который заставляет рыбаков отказываться от них.
Как вариант можно приобрести прибор со спиртовой горелкой, но такой больше подходит для межсезонья (весна, осень), а зимой его эффективность минимальна. Нагреть таким большую палатку вряд ли получится.
к содержанию ↑Лучшие заводские теплообменники
Это оборудование появилось на рыболовном рынке относительно недавно, поэтому в магазинах большого разнообразия не увидишь. Но из того, что они предлагают, можно выбрать прибор, отвечающий всем требованиям суровой зимней рыбалки. Перечислим самые популярные модели:
- СИБТЕРМО СТ-4,5 – продукт омских мастеров, который сейчас называют хитом продаж. Теплообменник производится из алюминиевого сплава, обладающего хорошей теплопроводностью. За счет естественной конвенции он способен обогреть не только зимнюю палатку, но и небольшое жилое помещение. Абсолютно безвреден для здоровья, отработанные газы выводятся наружу. Подача воздуха осуществляется тремя вентиляторами, работающими от напряжения 12В. Корпус прибора покрыт термостойкой краской. В комплект входит инфракрасная газовая горелка, а вот трубы и баллон с газом придется покупать отдельно. Общий вес устройства – 7,4 кг. Стоит СИБТЕРМО СТ-4,5 чуть больше 200 долларов, но цена себя оправдывает. Особенно на рыбалке при экстремально низкой температуре.
- СУХОВЕЙ – отличный теплообменник из нержавеющей стали с алюминиевыми трубками внутри, которые обеспечивают хорошую отдачу тепла. Оснащен вентилятором с возможностью регулировки мощности (есть диммер), максимальное количество оборотов в минуту – 3100. Вентилятор защищен от перегрева специальной заградительной шторкой. Выходная труба прибора находится в нижней части корпуса, что значительно увеличивает КПД благодаря задержке горячих газов. Разработчики рекомендуют использовать для этого теплообменника инфракрасную горелку 2,3 кВт. В комплект она не входит, поэтому СУХОВЕЙ вдвое дешевле модели, описанной выше. Если к демократичной цене добавить еще и незначительный вес (всего 2,9 кг), надежность, долговечность и простоту в эксплуатации, то можно смело сказать, что это один из лучших вариантов.
- ДЕСНА БМ – еще один неплохой аппарат с одним, но большим кулером, обеспечивающим циркуляцию воздуха в палатке. Это устройство может работать в двух режимах: автоматическом и турбо. Источником питания служит 12-вольтовый аккумулятор или комплект батареек. Запускается теплообменник просто, надо всего лишь установить его над горелкой, поставить дымоход, подключить вентилятор, разжечь горелку и проверить тягу. При первом запуске необходимо обеспечить хорошее проветривание, поскольку возможны посторонние запахи. Спустя полчаса работы они исчезнут. Считается, что КПД этого теплообменника выше, чем у большинства конкурентов. То есть, он быстро нагревает воздух до высокой температуры, но при этом, к сожалению, нагревается сам. Случайное прикосновение к корпусу, разогретому до 130 градусов, вызовет сильный ожог. Устанавливать такой прибор рядом с легковоспламеняющимися материалами категорически нельзя. А еще после выключения газовой горелки он долго остывает, даже если оставить вентилятор включенным на всю мощность.
И перечисленные заводские теплообменники для зимней рыбалки, и те, что не попали в список, примерно одинаково справляются со своей задачей. Поэтому при выборе кроме способности «производить» теплый сухой воздух (уровень теплового излучения) стоит учесть и другие характеристики аппарата.
Например, его габариты и вес. Он не должен быть чересчур тяжелым, занимать много места и мешать рыболовному процессу.
к содержанию ↑Общие характеристики и принцип работы
Большинство новичков придерживается мнения, что укрыться от тепла можно в простой и недорогой палатке, но это глубокое заблуждение. Палатка лишь сохраняет тепло в ограниченном пространстве, но если она не оборудована устройством теплообмена, всё, что вы сможете от нее получить — это защиту от сильного ветра.
Важно отметить, что эффективный прогрев и сохранение температуры внутри палатки возможно лишь при наличии своеобразного двухслойного шлюза на входе и люка в месте расположения обогревателя. Если люк отсутствует, то этот участок нужно защитить ковриком из стекловолокна во избежание пожароопасных ситуаций.
Будете ли вы изготовлять теплообменник для зимней палатки своими руками или же купите готовый вариант — решать вам. Но в любом случае необходимо заранее разобраться с принципом работы такого устройства, т. к. и в магазинных изделиях, и в самодельных он аналогичный. То же самое касается требований в плане эксплуатации и безопасности.
Работа теплообменника построена на сгорании топлива
, которое преобразуется в тепло. Среди основных характеристик подобных агрегатов особое внимание уделяется мощности теплового излучения. Она может зависеть от таких факторов:
- Максимально возможный температурный диапазон.
- Площадь нагрева.
- Тип материала, из которого изготовлена система.
Еще немаловажную роль отыгрывает и форма обогревателя, ведь известно, что круглые модели демонстрируют более эффективную работу, если сравнивать их с квадратными, т. к. в них отсутствуют участки застоя тепла.
Чаще всего теплообменники изготовляют из жаропрочной стали, хотя в самодельных изобретениях могут присутствовать самые различные материалы и подручные средства.
Особенности выбора теплообменника
В настоящее время рыболовами применяется большое разнообразие вариантов обогрева палаток. Каждый из них имеет массу преимуществ, но и ряд недостатков.
В списке наиболее эффективных и популярных способов добычи тепла находятся следующие:
- Спиртовые горелки.
- Газовые обогреватели.
- Бензиновые теплообменники.
Если говорить о спиртовых моделях, то они считаются самыми простыми и доступными теплообменными агрегатами, которые позволяют получать тепло непосредственно от сгорания сухого спирта. Среди преимуществ подобных конструкций выделяют повышенную экономичность и легкую массу, но это вредит производительности.
Такие горелки по-особому незаменимы для межсезонья, например, осени или весны, а зимой от них много тепла не получишь.
В свою очередь, газовые теплообменники
подходят для суровых погодных условий, поэтому их используют даже при самом сильном морозе. Кроме функции обогрева, такие устройства могут предназначаться и для приготовления пищи. Принцип работы остается предельно простым и заключается в сгорании газа, который поддается из специального баллона.
Однако именно тяжелый баллон усложняет процедуру транспортировки системы зимой, а также повышает риск замерзания газа при отрицательных температурах. Тем не менее, современные газовые горелки оснащаются компактными газовыми баллончиками, а для решения проблемы с замерзанием достаточно применить медную пластину или трубку, одна часть которой нагревается горелкой, а другая помещается на баллончик.
Газовые системы обладают простой конструкцией и особой надежностью, поэтому они пользуются широкой популярностью не только среди профессиональных рыбаков, но и среди новичков.
Модели, работающие на бензиновом топливе, были популярны много лет назад. Несмотря на приличный «возраст», их конструкция осталась практически прежней, но это никак не навредило высокой эффективности.
Если сравнивать бензиновые модели с газовыми, то они намного компактнее и дешевле. Связано это с доступностью бензина, особенно если покупать его в небольших баллончиках.
Из недостатков подобных систем — риск появления пожаров при неправильном использовании. Также при сильном перегреве прибор может взорваться, а это уже приведет к более плачевным последствиям.
к содержанию ↑Изготовление системы своими руками
Изготовить теплообменник для рыбалки своими руками намного проще, чем кажется на первый взгляд. И хоть некоторые рыболовы считают, что разумнее приобрести готовую недорогую конструкцию, народные умельцы не сдаются, продолжая выпускать самые различные конструкции с уникальными рабочими свойствами и эффективностью работы.
Это не удивительно, ведь подобный подход оправдывается многими причинами:
- Изготавливая теплообменник своими руками, можно придать ему определенный набор функциональных возможностей. В этом случае можно просто модернизировать покупную модель или попытаться создать конструкцию с нуля.
- Если вы сделаете систему в домашних условиях из подручных средств, это существенно расширит ваши возможности и позволит обрести новые навыки. Кстати, многие умельцы практически не представляют свою жизнь без постоянных экспериментов в мастерской.
Виды самодельных обогревательных агрегатов
В настоящее время рыболовы используют несколько вариантов обогрева палатки:
- «Печное отопление». Твердотопливные агрегаты всегда пользовались популярностью, особенно если говорить о любителях соорудить что-то своими руками. Однако показатели безопасности и эксплуатационного удобства не всегда соответствуют желаемым, поэтому рыболову нужно постоянно дежурить у такой конструкции. Да и сбор дров в темное время суток невозможен, что заставляет привозить с собой на водоем определенный запас твердого топлива. При этом слишком большое выделение тепла нередко приводит к обледенению палатки и другим неприятным последствиям.
- Газовый теплообменник. Считается более разумным и удобным средством обогрева. Используя его, вы лишаетесь необходимости обустраивать систему отвода дыма, которая обязательна в предыдущем случае. К тому же такие горелки безопасные и компактные.
Новички, которые желают знать, как сделать теплообменник своими руками для рыбалки, должны подготовить такие материалы и комплектующие:
Газовую горелку, которая поддерживает возможность ручной регулировки подачи газа.- Небольшой газовый баллон.
- Кислородный шланг длиной от 50 сантиметров.
- Керамический инфракрасный нагревательный элемент, который соответствует размерам взятой ранее горелки.
Первым делом из горелки нужно убрать форсунки и оставить лишь кран и трубку. Затем шланг следует одеть на трубку и штуцер горелки, но топливо при этом должно оставаться в газообразном состоянии, поэтому баллон держат стоя.
Естественно, на рыболовных форумах предлагается масса других конструкций и решений, но такой вариант пользуется самой большой популярностью, особенности среди любителей активного отдыха в холодную пору года.
Важные производственные моменты
Если вы собираетесь обустроить простую, но эффективную систему обогрева палатки с нуля, то необходимо выполнить конструкцию теплообменника по образу и подобию жаротрубных моделей. В этом случае нужно использовать два прямоугольных отреза листового металла, в которых вырезается несколько отверстий для установки теплообменных трубок.
Желательно сделать три ряда в шахматном порядке — пять трубочек в верхнем и нижнем рядах и еще четыре в среднем ряду. Основные сложности возникают на этапе приваривания трубок с двух сторон к двум листам металла.
На следующем этапе начинается сборка корпуса из еще четырех отрезков. Необходимо проделать в верхней части отверстие под дымоход, продумав его таким образом, чтобы он легко снимался.
Дальше следует приварить верхнюю крышку к теплообменнику, а по бокам зафиксировать соответствующие боковые крышки. Конструкция практически готова, но ее еще нельзя использовать для обогрева.
Дальше необходимо установить ножки.
Специалисты рекомендуют использовать вариант складных ножек, хотя можно найти и другое решение. В любом случае такие элементы лучше изготовлять из тонкой металлической проволоки, учитывая высоту используемой горелки.
Естественно, нижняя часть обогревательной системы остается не сплошной, ведь здесь остается вырез, куда устанавливаются внутренние трубки. Именно через этот вырез проникает пламя и жар внутрь оборудования.
к содержанию ↑Работа с электрической частью
Чтобы запустить самодельный теплообменник в эксплуатацию
, его необходимо оборудовать хорошим вентилятором. Очень хорошо, если в его качестве используется модель производственного кулера диаметром 120 миллиметров от стационарного компьютера.
Для таких изделий характерна отличная пропускная способность и минимальный уровень шума. К задней части обогревательной системы прикрепляется крепеж, прикручивается вентилятор и припаиваются длинные проводники, которые необходимы для присоединения к аккумулятору.
Вот и все, теперь можно переходить к запуску установки. Разместив ее в подходящем месте зимней палатки, необходимо подсоединить дымоход и вывести наружу.
Снизу размещается печка/горелка, подключается газовый баллон, поджигается газ, а затем включается кулер. При первых запусках, возможно, будет ощущаться неприятный запах, но через 10−15 минут работы он исчезнет.
Вам останется лишь отрегулировать температуру воздуха.
Следующая
Газовую горелку, которая поддерживает возможность ручной регулировки подачи газа.